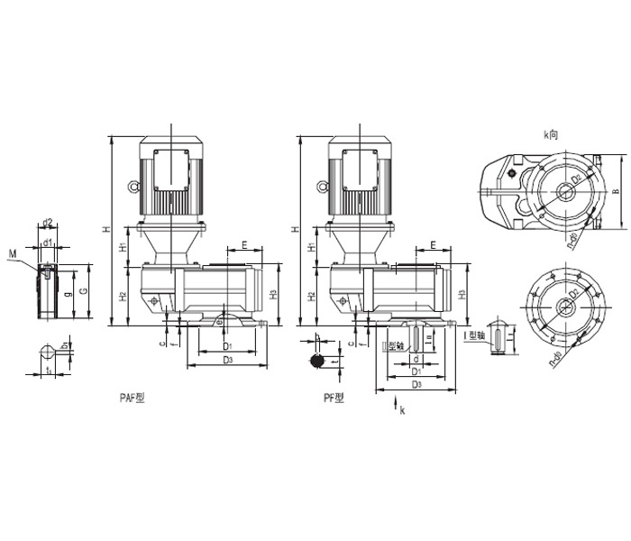
PF系列同轴齿轮减速机
V型宽三角带无级变速机与齿轮减速机组合
P系列皮带减速机
FP系列皮带减速机
YPV系列a型大功率皮带减速机
YPV系列b型大功率皮带减速机
CW系列圆柱蜗杆减速机
M系列圆柱蜗杆减速机
首页
电话
留言
地址